彩色面板1800G III
VanGaa
彩色面板1800G III
2022-02-30
销售
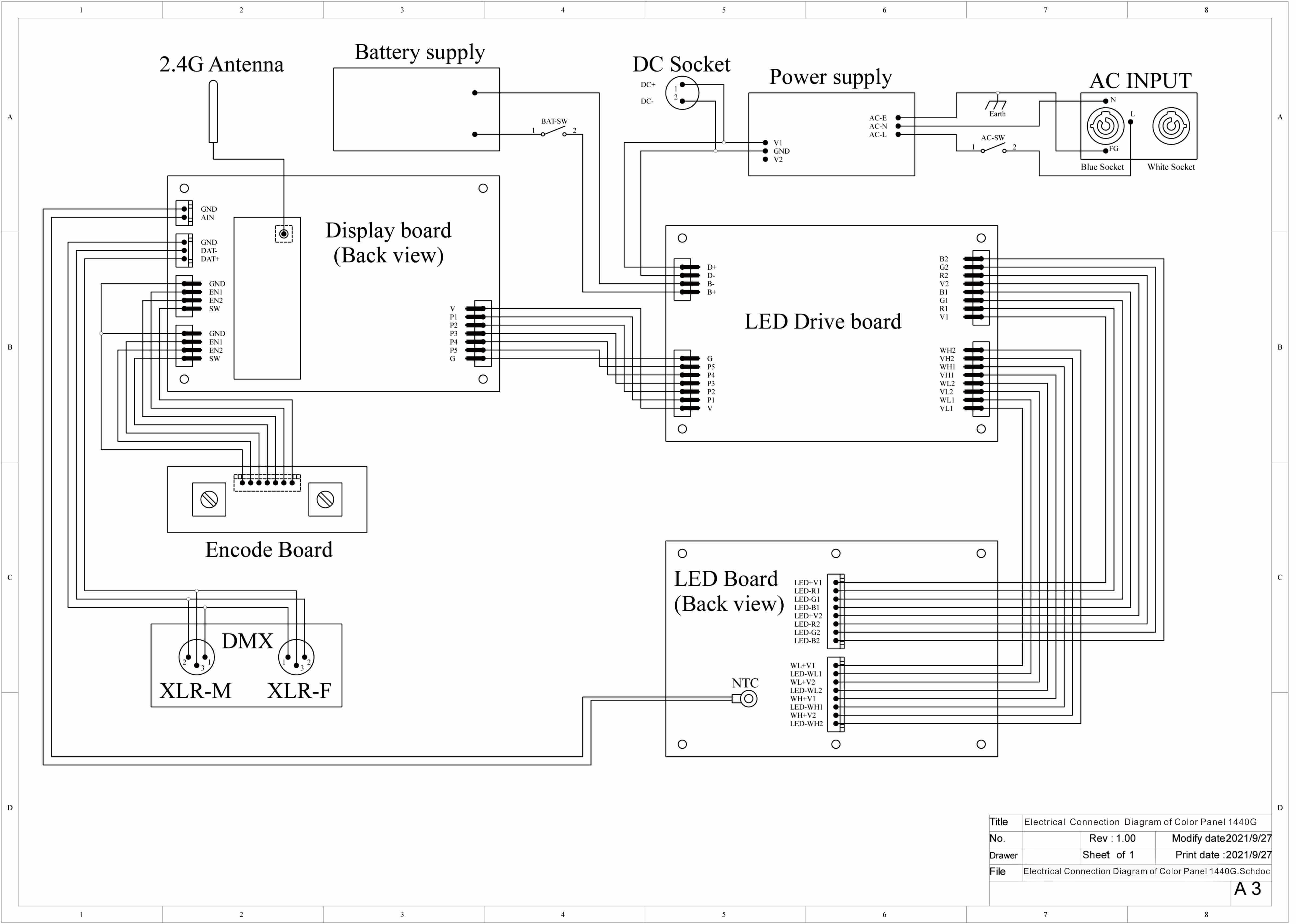
·该灯配备两种色温高清晰度、高亮度的LED芯片,采用Vangaa线性调光技术,实现产品能够满足广播电视拍摄时的严格要求。无闪烁,线性调光流畅,拍摄时不拉线。该灯非常适合大型电视台、演播室、多功能厅等影视场所。 特征·灯光照明 功能由DMX-512控制,非常方便; ·采用灯珠LED芯片, 色温纯正,可实现0-100%调光; ·灯体采用 外框设计,造型美观,安装方便,安全可靠。 技术规格光源 ·LED:576颗1.5W RGB三合一LED芯片,576颗0.5W 3200K暖白LED芯片,576颗0.5W 5600K冷白LED芯片 ·寿命:50000小时 ·颜色: RGB 多彩,从暖白到冷白 光学 ·光束角度:120度 ·调光器:0~100%线性调光器 光输出 ·显色指数:Ra≥95 ·色温:开尔文 2500k-9900K可调 控制 ·DMX通道:RGBWW模式: 7通道、8通道;4个RGBWW模式:22CH、23CH;色温模式:4CH、5CH;色温&RGB模式: 7通道、8通道;CCT&HSI模式:6CH、7CH;CCT&GEL模式:5CH、6CH;RGB模式: 5通道、6通道;HSI模式:4CH、5CH;效果模式:8CH、9CH ·控制模式:DMX-512, 演示模式,手动 ·控制面板:液晶显示屏+4个按钮+2个旋钮 ·输出效果:RGB、CCT、G/W、特效 电源 ·适用电压:AC100V-240V,50/60Hz;直流24-36V ·相关功率:420W 建造 ·机身尺寸:D730*W139*H407mm ·净重:12kg ·外壳颜色:黑色 ·筑屋材料: 铝合金 工作环境 ·在职的 温度:-25-40℃ ·冷却: 铝制散热器和灯体 ·保护 等级:IP20 备件 ·电缆:1套DMX输入和 DMX 输出信号线, 和 1 套带插头的电源输入和电源输出电源线[标准配置] ·遮光罩:1颗灯 遮阳板【可选配置】 包裹 ·纸箱包装尺寸: 800*450*190mm(1个/箱) ·净重/毛重/大众:12kg/13kg/12kg 销售维护备件清单 ·开关电源:彩屏1800G III-P ·LED灯板:Color Panel 1800G III -L ·主板:彩屏1800G III -M ·驱动板:Color Panel 1800G III -D |
·该灯配备两种色温高清晰度、高亮度的LED芯片,采用Vangaa线性调光技术,实现产品能够满足广播电视拍摄时的严格要求。无闪烁,线性调光流畅,拍摄时不拉线。该灯非常适合大型电视台、演播室、多功能厅等影视场所。 特征·灯光照明 功能由DMX-512控制,非常方便; ·采用灯珠LED芯片, 色温纯正,可实现0-100%调光; ·灯体采用 外框设计,造型美观,安装方便,安全可靠。 技术规格光源 ·LED:576颗1.5W RGB三合一LED芯片,576颗0.5W 3200K暖白LED芯片,576颗0.5W 5600K冷白LED芯片 ·寿命:50000小时 ·颜色: RGB 多彩,从暖白到冷白 光学 ·光束角度:120度 ·调光器:0~100%线性调光器 光输出 ·显色指数:Ra≥95 ·色温:开尔文 2500k-9900K可调 控制 ·DMX通道:RGBWW模式: 7通道、8通道;4个RGBWW模式:22CH、23CH;色温模式:4CH、5CH;色温&RGB模式: 7通道、8通道;CCT&HSI模式:6CH、7CH;CCT&GEL模式:5CH、6CH;RGB模式: 5通道、6通道;HSI模式:4CH、5CH;效果模式:8CH、9CH ·控制模式:DMX-512, 演示模式,手动 ·控制面板:液晶显示屏+4个按钮+2个旋钮 ·输出效果:RGB、CCT、G/W、特效 电源 ·适用电压:AC100V-240V,50/60Hz;直流24-36V ·相关功率:420W 建造 ·机身尺寸:D730*W139*H407mm ·净重:12kg ·外壳颜色:黑色 ·筑屋材料: 铝合金 工作环境 ·在职的 温度:-25-40℃ ·冷却: 铝制散热器和灯体 ·保护 等级:IP20 备件 ·电缆:1套DMX输入和 DMX 输出信号线, 和 1 套带插头的电源输入和电源输出电源线[标准配置] ·遮光罩:1颗灯 遮阳板【可选配置】 包裹 ·纸箱包装尺寸: 800*450*190mm(1个/箱) ·净重/毛重/大众:12kg/13kg/12kg 销售维护备件清单 ·开关电源:彩屏1800G III-P ·LED灯板:Color Panel 1800G III -L ·主板:彩屏1800G III -M ·驱动板:Color Panel 1800G III -D |




| 信息 | |
| 光源 | 480x0.2W RGB 三合一 LED 芯片、480x0.2W 3200K LED 芯片、480x0.2W 5600K LED 芯片 |
| 颜色 温度 | 2500K-9900K可调 |
| 光束角 | 120° |
| 噪音 | 无风扇,无噪音 |
| 显色指数 | Ra≥95 |
| DMX通道 | 7通道,7通道,4通道 远程数据管理;DMX-512 |
| 相关电源 | 150W AC100-240V,50/60Hz |
| 机身尺寸 | D730*W347*H153mm/28.74” x13.66” x 6.02” |
| 净重 | 7.5 公斤/16.53 磅 |
| 信息 | |
| 光源 | 480x0.2W RGB 三合一 LED 芯片、480x0.2W 3200K LED 芯片、480x0.2W 5600K LED 芯片 |
| 颜色 温度 | 2500K-9900K可调 |
| 光束角 | 120° |
| 噪音 | 无风扇,无噪音 |
| 显色指数 | Ra≥95 |
| DMX通道 | 7通道,7通道,4通道 远程数据管理;DMX-512 |
| 相关电源 | 150W AC100-240V,50/60Hz |
| 机身尺寸 | D730*W347*H153mm/28.74” x13.66” x 6.02” |
| 净重 | 7.5 公斤/16.53 磅 |





